Is there a distance plate for the 991F series?
Is there a distance plate for the 991F series?
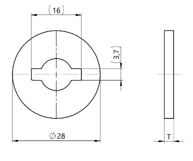
Yes, we have distance plates available for this series.
There are 4 different thicknesses, 1.5mm, 2.0mm, 3.0mm and 3.5mm (=T)
These are installed on the stud and are used to compensate different panel thicknesses.
Here are the different part numbers:
| Old part number | New Turnlock part number |
| 991W130-15-1K | HHSDP15P |
| 991W130-2-1K | HHSDP20P |
| 991W130-3-1K | HHSDP30P |
| 991W130-35-1K | HHSDP35P |
For more information, please contact us.

